- Úvod
- REGULACE A ŘÍZENÍ KOTLŮ ATMOS
- Regulace ACD 03/04
Regulace ACD 03/04

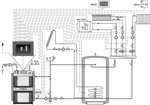
Ekvitermní regulace ATMOS ACD 03/04 je novým regulačním prvkem s dotykovým barevným displejem umožňující snadné ovládání kotle a topného systému intuitivním způsobem podle nejmodernějších trendů. Regulátory ACD 03 a ACD 04 se liší provedením instalační krabičky. Funkce ovládání obou regulátorů jsou stejné.
ATMOS ACD 03 - regulátor pro vložení do panelu kotle
Regulátor ACD 03 je vyráběn v provedení, které je určeno k vložení do panelu kotle po vylomení předem připraveného otvoru (z výroby) pro regulaci ACD 03 (rozměr 92 x 138 mm). Regulátor je také možné vložit do speciální krabičky SWS 18 určené pro instalaci na zeď.
Regulátor je schopen řídit následující:
- vytápění tří topných okruhů(např. dva okruhy klasické radiátory + jeden okruh podlahové vytápění) podle požadované teploty v místnosti, venkovní teploty (ekvitermní křivky) a v závislosti na čase pomocí tří typů pokojových jednotek (čidel)
nebo
jeden kotlový okruh a dva topné okruhy – kotlový okruh pro dodržení minimální teploty vratné vody do kotle 65 °C, pomocí trojcestného mísícího ventilu se servopohonem a čerpadlem a vytápění dvou topných okruhů (např. klasické radiátory nebo podlahové vytápění) podle požadované teploty v místnosti, venkovní teploty (ekvitermní křivky) a v závislosti na čase pomocí tří typů pokojových jednotek (čidel)
- ohřev teplé užitkové vody (TUV) na požadovanou teplotu (např. 55 °C)
- solární ohřev přes sluneční kolektory
- optimální nabíjení a vybíjení akumulačních nádrží dle požadavků zákazníka
- automatické přepínání provozu dvou zdrojů tepla (kotlů), např. kotle na dřevo a zemní plyn / dřevo a pelety
- kompletní provoz kotle na základě potřeb topného systému včetně odtahového ventilátoru
- automatické zapálení dřeva
Elektronická regulace ATMOS ACD 03 je dodávána jako sada včetně potřebných čidel a připojovací svorkovnice pro snadnou montáž do panelu kotle:
Sada ekvitermní regulace určená pro kotle s ručním přikládáním(bez čidla spalin) ATMOS ACD 03
– kód S0103
Pro optimální, úsporné a komfortní ovládání vytápění vašeho objektu vám doporučujeme dokoupit jako příslušenství, (pro každý topný okruh) jednu z našich pokojových jednotekARU5, ARU10 a ARU30 s dotykovým displejem pro lepší možnost zregulovat topný systém. V případě využití regulace pro solární ohřev je nutné dokoupit čidlo pro solár FF00–75P65 (-20 – 300 °C) a další čidlo KTF20.
Pokojová jednotka (čidlo) pro ekvitermní regulaci ACD 03/04 ATMOS ARU5
Pokojová jednotka bez displeje pro ekvitermní regulaci ACD 03/04 ATMOS ARU10
Pokojová jednotka s displejem pro ekvitermní regulaci ACD 03/04 ATMOS ARU30
| Složení sady / Název | Výrobní označení | Počet v sadě | Měřící rozsah | Délka kabelu | |
| Ekvitermní regulátor s dotykovým displejem a reléovým modulem – Kompletní (A + B) | ![]() | ATMOS ACD 03 | 1 | – | – |
| Sada konektorů | ![]() | SCS34 | 1 | – | – |
| Čidlo venkovní teploty (AF) – drátové | ![]() | AF20-B65 | 1 | -40… +70 | 0 m |
| Čidlo teploty kotle (WF) – silikon | ![]() | KTF20-65-2M | 1 | -20… +110 | 2 m |
| Příložné čidlo topného systému (VF) – drátové – PVC | ![]() | SF20-B54 | 3 | 0… +110 | 4 m |
| Čidlo TUV (SF) Čidlo akumulační nádrže (PF/FPF) – PVC | ![]() | KTF20-65-5M-B | 3 | -20… +110 | 5 m |
Sada ekvitermní regulace určená pro kotle na pelety (s čidlem spalin) ATMOS ACD 03 AGF
– kód S0106
| Složení sady / Název | Výrobní označení | Počet v sadě | Měřící rozsah | Délka kabelu | |
| Ekvitermní regulátor s dotykovým displejem a reléovým modulem – Kompletní (A + B) | ![]() | ATMOS ACD 03 | 1 | – | – |
| Sada konektorů | ![]() | SCS34 | 1 | – | – |
| Čidlo venkovní teploty (AF) – drátové | ![]() | AF20-B65 | 1 | -40… +70 | 0 m |
| Čidlo teploty kotle (WF) – silikon | ![]() | KTF20-65-2M | 1 | -20… +110 | 2 m |
| Příložné čidlo topného systému (VF) – drátové – PVC | ![]() | SF20-B54 | 3 | 0… +110 | 4 m |
| Čidlo TUV (SF) Čidlo akumulační nádrže (PF/FPF) – PVC | ![]() | KTF20-65-5M-B | 3 | -20… +110 | 5 m |
| Čidlo spalin pro ovládání provozu kotle (AGF) |
| AGF3 | 1 | 0… +400 | 2 m |









